
TLVR: The answer to your high-current, low-voltage challenges
Reduce your power losses and improve transient response with Würth Elektronik Products
The challenge:
As processors (CPUs, GPUs, FPGAs) become smaller, operating voltages drop while power consumption rises. This challenges power supplies to maintain stable voltages under sudden high loads. Precise voltage regulation is crucial to prevent malfunctions.
Why you need TLVR (Trans-Inductor Voltage Regulator):
- Cost effective: Reduces the need for filtering capacitors, saving space and cost
- Improved performance: TLVR minimizes voltage variations
- Rapid stabilization: Significantly shortens the voltage stabilization time during load changes
- Better efficiency: Compared to a normal DC/DC because of an inductor with a very low Rdc
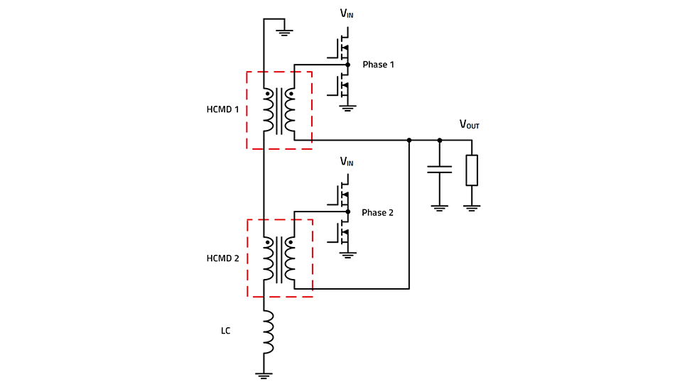
TLVR topology
The trans-inductor voltage regulator (TLVR) topology offers fast transient response, power density, and solution cost in applications where sudden load changes occur.
The primary side of each coupled inductor (WE-HCMD 1 and WE-HCMD 2) is connected between the switch node of each phase and the converter output voltage.
The added secondary windings are connected in a series loop, with an additional inductor known as the compensating inductor (LC).
Load transient
The different phases sum up to the current ISUM which is used from the load. The peak-to-peak ripple current is reduced.
This results in a faster transient response and lower voltage drop during load transients so that frequencies can be increased. Each phase's current strain is reduced, enabling the use of smaller inductors.

Featured Products
Applications

Powering processors

FPGA

High power ASIC applications













